Podobne wpisy
Przygotowania do projektu „Szczęśliwi ludzie tańczą i śpiewają”
Praca wre…, a uczniowie już rozpoczęli swoją drogę ku lepszemu samopoczuciu! 🌟 W ostatnim czasie ruszyły działania w ramach projektu „Szczęśliwi ludzie tańczą i śpiewają” Uczestnicy sprawdzili swoją wiedzę na temat zdrowia psychicznego i dobrostanu, zweryfikowali swoje umiejętności interpersonalne oraz poziom zaangażowania w życie szkoły i lokalnej społeczności. Dodatkowo na bieżąco monitorują swoją aktywność fizyczną, prowadząc indywidualne…
Rodzinny piknik Dziesiątki
Dziękujemy, że byliście z nami – 14 czerwca odbył się rodzinny piknik Dziesiątki 🥰🌷🌻🪻Było fantastycznie!!! 🤩🤩🤩Dopisała pogoda, dopisały humory, ale przede wszystkim – dopisaliście Wy!!! Rodzice, Partnerzy, Przyjaciele, Dobre Dusze, Pomocnicy, Uczniowie, Nauczyciele – DZIĘKUJEMY!!! Piknik obfitował w liczne atrakcje dla dzieci i rodziców, a spotkanie stanowiło dla rodzin z naszej szkoły, Mikulczyc i nie…
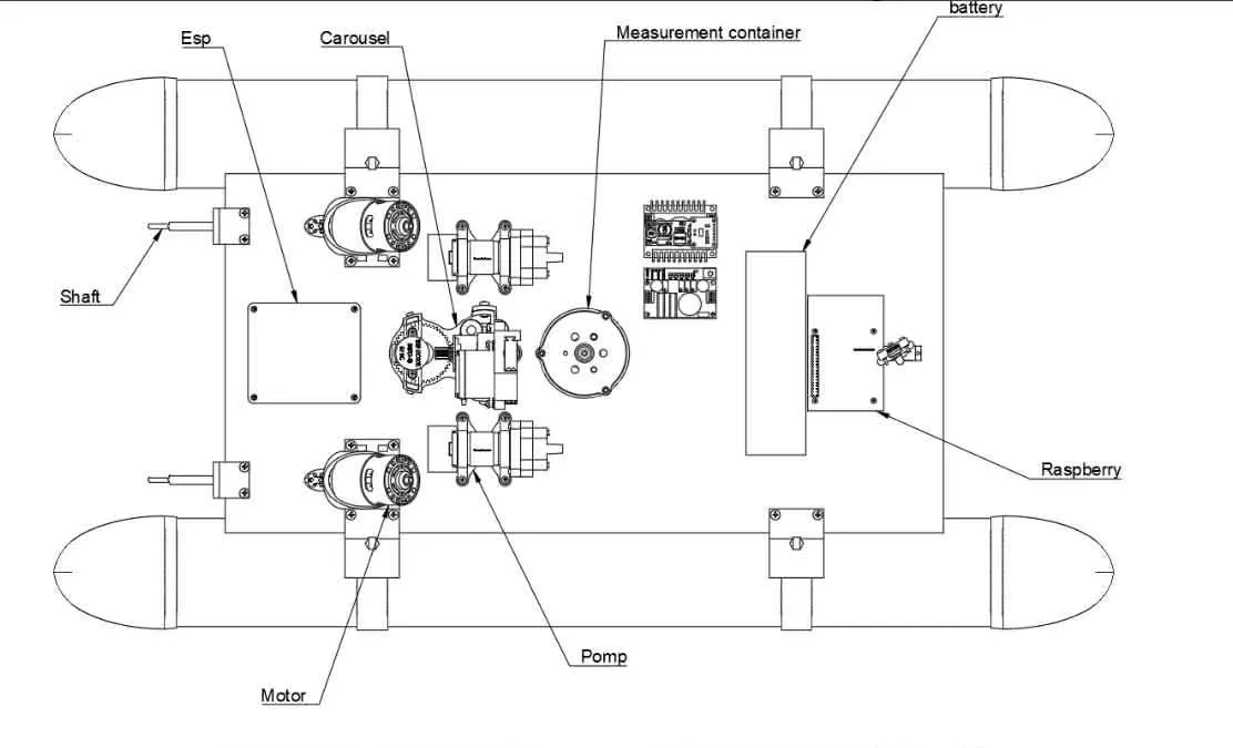
Kamp 2025 – Rozpoczęcie programistycznego obozu
KAMP, czyli Kreatywna Aktywność Młodzieży Programującej – edycja trzecia 2025. Spotykamy się w ośrodku „Odys”, gdzie młodzież będzie prezentowała swoje projekty programistyczne i prowadziła warsztaty z nimi związane. W tym roku zapoznamy się z następującymi projektami: Cyprian Moj: Aplikacja mobilna do treningu w React Native Bartosz Wałdowski: Cloud Kitty Bartłomiej Ślusarz: Shooter w Unity Łukasz…
Kamp 2025 – Podsumowanie programistycznej przygody
We wtorek braliśmy aktywny udział w czterech prelekcjach połączonych z warsztatami. Korzystając ze szkolnych laptopów mogliśmy zmierzyć się z nowymi zagadnieniami. 💻🛠️ Po południu integrowaliśmy się na paintballu.🔫 Po podziale na dwie drużyny, czekało nas niełatwe zadanie ubrania strojów, potem ciężki spacer pod górę. A to nawet nie była rozgrzewka :). Po przetestowaniu broni na…
Nowoczesny sprzęt dla ZS10 w ramach KPO
Zespół Szkół nr 10 otrzymał laptopy w ramach rządowego programu Krajowego Planu Odbudowy. Wsparcie zostało zrealizowane w ramach inwestycji: „Wdrażanie inwestycji C2.2.1 Wyposażenie szkół/instytucji w odpowiednie urządzenia i infrastrukturę ICT w celu poprawy ogólnej wydajności systemów edukacji, wskaźnik C12L Zestawy narzędzi informatycznych na potrzeby prowadzenia lekcji zdalnych lub hybrydowych dostarczone szkołom zawodowym i instytucjom kształcenia…
Weź byka za rogi. Praktyki zawodowe w Hiszpanii
Zespół Szkół nr 10 im. prof. Janusza Groszkowskiego w Zabrzu realizuje projekt finansowany z Funduszy Europejskich „Weź byka za rogi. Praktyki zawodowe w Hiszpanii” Celem projektu jest: – nabycie nowych i poszerzenie posiadanych umiejętności zawodowych i komunikacyjnych – rozwój kompetencji komunikacyjnych w zakresie języka angielskiego i języka kraju gospodarza mobilności przez 30 uczniów ZS 10…









